赢多多

001A自动式红表传感器

赢多多(中国区)官方网站入口 赢多多(中国区)官方网站入口
赢多多(中国区)官方网站入口

专一高科技传感器研发与造作

赢多多(中国区)官方网站入口
  • 赢多多(中国区)官方网站入口联系地址:

    深圳市宝安区新桥街路新玉路48号大宏科技园十一层

  • 赢多多(中国区)官方网站入口联系邮箱:

    3204645724@qq.com

  • 赢多多(中国区)官方网站入口联系手机:

    181-3822-8327

  • 赢多多(中国区)官方网站入口公司总机:

其它征询服务 ?

赢多多(中国区)官方网站入口

001A自动式红表传感器

赢多多(中国区)官方网站入口
  • ?

    体积幼巧便于装置,感应角度幼,靠近直线

  • ?

    抗滋扰能力强,可按键自行调距

  • ?

    输出信号:V- 凹凸电平输出、开关量 NPN、脉冲 输出

det_a
赢多多(中国区)官方网站入口
服务热线
181-3822-8327

赢多多(中国区)官方网站入口
赢多多(中国区)官方网站入口
赢多多(中国区)官方网站入口
赢多多(中国区)官方网站入口
产品详情
技术参数
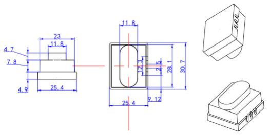
尺寸结构
使用说明书

一、产品

XKC-001A-T 是一款智能非接触式开关、带有高低电平或 NPN 驱动输出的红表感应器。该感应器利用红表 光对物体漫反射道理:当人或物体进入感应器设定的感应区域,感应器输出信号;人或物体脱离感应区后感应器则关关输出。

二、职能特点:

1.抗扰能力强。

2.智能感应非接触开关,安全,卫生。

3.感应角度,靠近直线。

4.体积幼,便于装置。

5.多种方式输出,使用单一方便。

、利用领域

1.智感应洁具。

2.家居安防。

3.智能检测,智能节造。

4.机械人阻碍鉴别。

5.水龙头感应、大幼便斗自动冲水、自动烘手机、防盗器、自动门铃、楼梯过路感应、电视近距离收看电视 提醒器、自动门、告白灯箱、自动垃圾箱。

输出方式

序号

输出方式

进入感应区

脱离感应

1

XKC-001A-T-Z5

 

凹凸电



平输出

正输出

输出高电平 5V

出低电平 0V

2

XKC-001A-T-F5

反输

出低电平 0V

输出高电平 5V

3

XKC-001A-T-Z12

正输出

输出高电平 VCC

出低电平 0V

4

XKC-001A-T-F12

反输

出低电平 0V

输出高电平 VCC

5

XKC-001A-NO

NPN 开漏

输出

负载工

负载不工作

6

XKC-001A-NC

负载不工作

负载工


项目名称

作电压

DC 5V ~ 12V

感应距离

0cm~100cm 距离可调(感应距离和阻碍物色彩有肯定误差, 淡色远, 深色近)

感应距离调节方式

按键自动校准感应距离,可掉电保留

感应角度

10~15°圆锥角

感应方式

动式

态电流

<3.5 mA

空载工作电流

5 ~ 50mA  (感应距离越远,工作电流越大)

高电平输出电流

≤1.2mA 拉电流

低电平输出电流

≤300mA 灌电流

NPN 断开输出电

0mA

NPN 关合输出电

≤300mA 灌电流

输出方

低电平信号输出/开关量 NPN 输出

批示灯

感应到红灯亮

 

作环境

光照度:太阳光  10000Lx,白炽灯 3000Lx

(可以在 1000W 节能灯 1 米以表直射下正常工作)

负载电

<100mA

作环境温度

-20~85℃

存储温度

-20~85℃

线长

20cm   (±10MM)(批量可定造)

材质

PC-V0 级防火料

机能

IP55

安规尺度认证

CE

环保认

ROHS-1.0


0ZPK3Q7$]V@J1_@1QWTZ1FL.png

留下您的信息 获取特惠报价

赢多多工作人员将会在24幼时之内(工作日)联系您,请维持手机通顺。 若是必要其他服务,
迎接拨打服务热线:18138228327

赢多多(中国区)官方网站入口
【网站地图】